QVC-3气动真空吸料机——定义工业级标准化生产的效能标杆
核心优势
QVC-3是为标准化工业生产线打造的高性能输送中心。它具备强大的负载能力与持续的运行稳定性,将“以气代机”的洁净优势与工业级的耐用性完美结合,胜任主流大规模生产任务。
解决核心痛点
应对高负载挑战:强化结构设计,确保在300-1500kg/h的高负荷下长期稳定运行,保障主流产能需求。
提升整线效率:强大的输送能力可支持多个工艺节点同时供料,显著缩短生产周期,提升整体设备利用率(OEE)。
保障批次一致性:在大流量输送下仍能保持物料物性均一,为大型混合、制剂工序提供质量稳定的原料基础。
产品参数
| 型号 | 输送量 (kg/h) |
工作压力 (Mpa) |
压缩空气消耗量 (NL/min) |
|---|---|---|---|
| QVC-1 | 50~350 | 0.4~0.6 | 180 |
| QVC-2 | 100~700 | 0.4~0.6 | 360 |
| QVC-3 | 300~1500 | 0.4~0.6 | 720 |
| QVC-4 | 600~3000 | 0.4~0.6 | 1440 |
| QVC-5 | 900~6000 | 0.4~0.6 | 2880 |
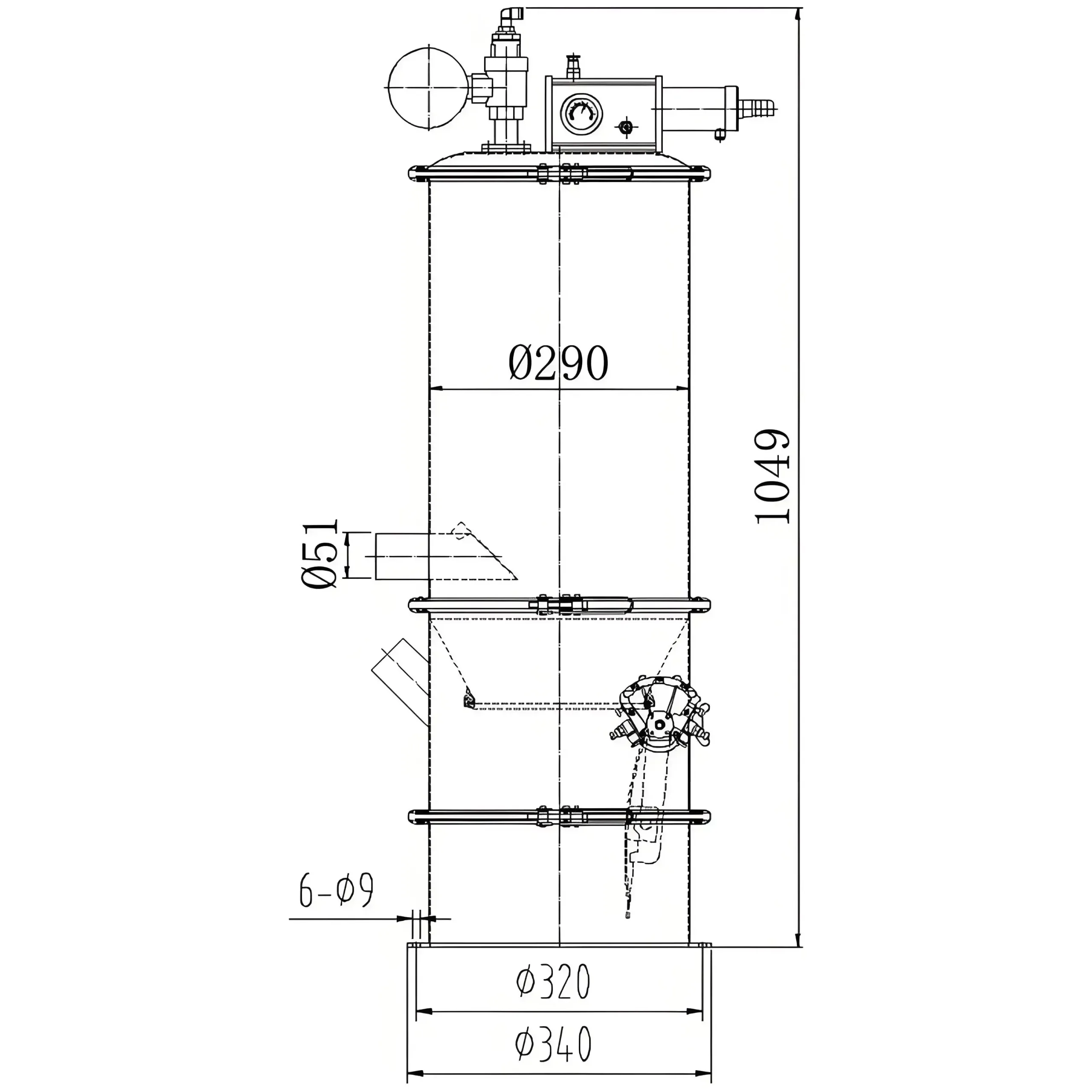
产品结构

产品规格

项目展示

奶粉搅拌机上料示意图

奶粉搅拌机上料

干法制粒机加料示意图

塑料挤出机投料示意图

塑料挤出机加料

胶囊填充机加料示意图

旋振筛加料示意图

旋振筛加料

压片机加料示意图
-scaled.png)


-scaled.png)
.png)