ZKJ-4电动真空抽料机——驱动大规模生产的强劲电动动力
核心优势
ZKJ-4标志着电动输送进入大流量领域。其采用大功率高效电机和强化型风机系统,专为满足大规模、连续化生产的集中供料需求而打造,动力强劲且运行持久。
解决核心痛点
应对高强度供料任务:≤2000kg/h的输送量,可服务于大型混合机组或为多点位集中供料,满足高产线需求。
保障持续运行稳定性:关键部件均针对长时间高负载运行进行强化,故障率低,保障生产计划顺利执行。
适合中长距离规划:强劲动力为稍复杂的管路布局(如多个弯头、略有提升)提供了性能余量,布局更灵活。
产品参数:
| 型号 | 输送量 (kg/h) |
输送距离 (水平×高度m) |
工作压力 (Mpa) |
功率 (kW) |
|---|---|---|---|---|
| ZKJ-1 | ≤400 | 6×4 | -0.04~0.6 | 1.5 |
| ZKJ-2 | ≤600 | 6×4 | -0.04~0.6 | 2.2 |
| ZKJ-3 | ≤1200 | 6×5 | -0.04~0.6 | 3.0 |
| ZKJ-4 | ≤2000 | 8×6 | -0.04~0.6 | 5.5 |
| ZKJ-5 | ≤2500 | 10×8 | -0.04~0.6 | 5.5(双极) |
| ZKJ-6 | ≤3200 | 8×6 | -0.04~0.6 | 5.5(双极) |
| ZKJ-7 | ≤6000 | 10×5 | -0.04~0.6 | 7.5 |
| ZKJ-10-6 | ≤6000 | 10×8 | -0.04~0.6 | 7.5(罗茨风机) |
| ZKJ-20-5 | ≤5000 | 20×8 | -0.04~0.6 | 11(罗茨风机) |
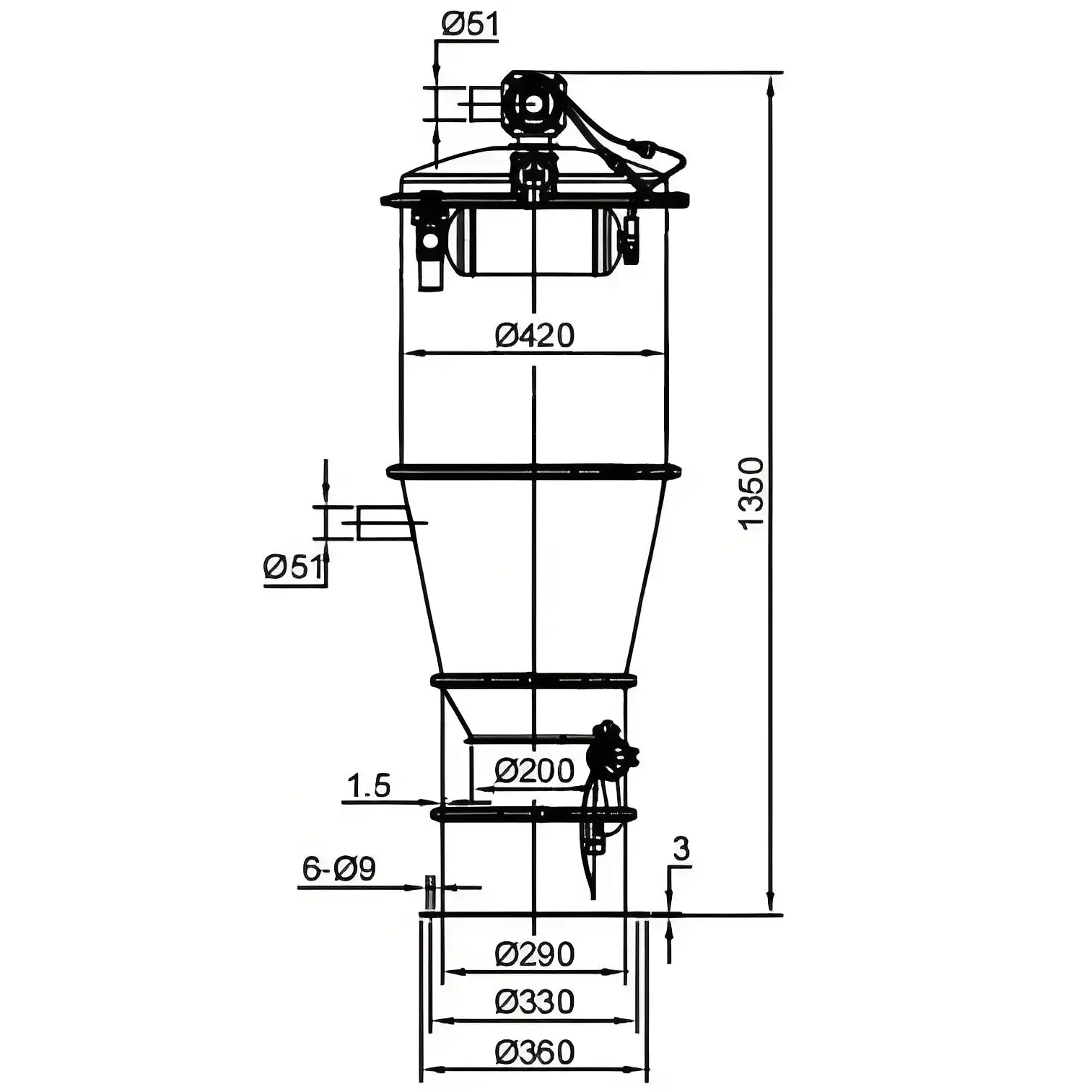
风机尺寸

图纸

项目展示

反应釜加料

反应釜加料

包装机集中供料示意图

包装机集中供料

球磨机集中供料示意图

球磨机集中供料
-scaled.png)


-scaled.png)
.png)